Visseuses Revolver
Visseuses Droite
Visseuses d'angle
Meuleuses
Perceuses
Unité de perçage automatique
Visseuses d'angle
Visseuses pistolet
Unité de perçage automatique
Aéronautique
Renvois d'axes
Notre
Activité
Présentation
Certifications - qualité
|
La société
FFDM TIVOLY
|
Nous
contacter
Outils
pneumatiques
Outils
électriques
Outils
spécifiques
Accueil
>
Renvois d'axes
> Renvoi d'axe C840
Renvois d'axes
< Retour liste produits
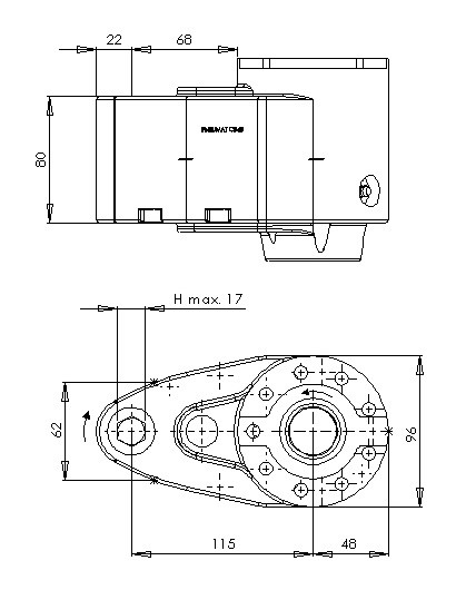
Renvoi d'axe C840
Rayon extremité
Epaisseur
Entraxe
H max.
Nbr pignons
Couple max
22
80
115
17
3
630
> Besoin de plus d'informations ? Contactez-nous...
Informations non contractuelles.
Autres illustrations
Autres activités de F.F.D.M. Pneumat
At Thomas
Thomas